产品中心 | 联系我们 您好,欢迎访问东莞市超翔电子有限公司官方网站,我们将竭诚为您服务!
风华高科授权代理商 一站式电子元器件整合供应商
全国咨询热线:0769-85325266
您的位置: 首页>产品中心>风华电容>MLCC
MLCC

微波电容(RF系列)多层片式陶瓷电容器

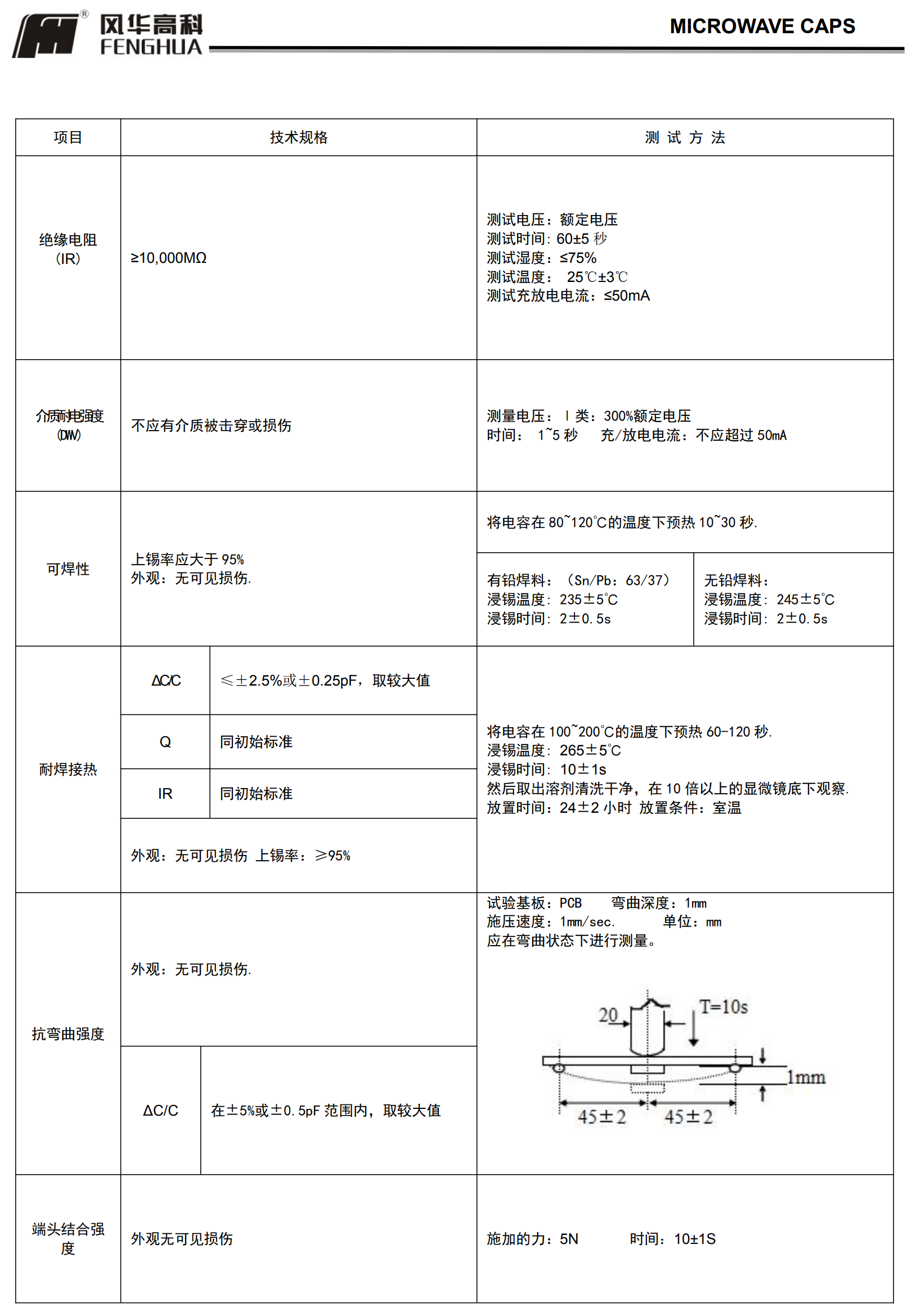
微波电容(RF系列)多层片式陶瓷电容器◆ 特征* 叠层独石结构,具有高可靠性能* 具有优良的焊接与耐焊性能,适用于回流焊接与波峰焊接* 具有较高的容量且容量性能稳定* 高 Q 值* 低等效串联电阻* 高自谐振频率* 执行标准:GB/T 21041-200◆ 应用* 移动通信基站* 无线通信产* 射频功率放大器* 阻抗匹配网络* 滤波网络* VCO

在线咨询全国热线
0769-85325266
产品描述

微波电容(RF系列)多层片式陶瓷电容器

微波电容(RF系列)多层片式陶瓷电容.png

◆ 特征

* 叠层独石结构,具有高可靠性能

* 具有优良的焊接与耐焊性能,适用于回流焊接与波峰焊接

* 具有较高的容量且容量性能稳定

* 高 Q 值

* 低等效串联电阻

* 高自谐振频率

* 执行标准:GB/T 21041-200


◆ 应用

* 移动通信基站

* 无线通信产

* 射频功率放大器

* 阻抗匹配网络

* 滤波网络

* VCO


在线客服
联系方式

热线电话

0769-85325266

上班时间

周一到周六

手机号码

13712101206

微信二维码
线